欢迎访问无锡市新成富机械制造有限公司企业网站 |
加入收藏
|
设为主页
主页导航
关于我们
新闻资讯
产品展示
客户反馈
联系我们
以客户为中心 以质量为己任
诚信为本 质量可靠
设备齐全 工艺精湛
产品展示
更多>>
型钢
型钢产品
S001双内卷型钢
S002 C型钢
S003 U型钢
带齿带筋型钢
90°角配件(型钢连接片使用位置)
型钢连接片
型钢技术参数
支架
组合件
连接件系列
工程案例
零配件系列
联系我们
更多>>
地址:无锡市惠山区钱桥溪南工业园伟业路8-1
联系人:张经理
手机:13961735837
电话:0510-83298167
传真:0510-83298167
产品展示/
Product
当前位置:
主页
>> 产品展示
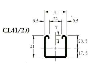
CL41/2.0
表面处理
G.I , HDG , EPOXY , SS .
重量
2.0kg/M
厚度
2.0m
标准长度
3m或6m
上一页:C41/1.5
下一页:C82/2.0
Copyright © 无锡市新成富机械制造有限公司 All Rights Reserved.
苏ICP备14005734号-1